Котельная в частном доме: как она устроена
Для отопления частных домов могут изготавливаться котельные трех типов – это встроенные в дом, пристроенные к дому или вообще отдельно стоящие. Вне зависимости от этого, технология их монтажа и обустройства практически ничем не отличается и подчиняется определенным требованиям безопасной эксплуатации.
В зависимости от типа используемого топлива, могут меняться некоторые нюансы, но в целом все остается в неизменном виде. В этой статье вместе с сайтом
by мы разберемся с вопросом строительства индивидуальной котельной – изучим основные требования и оборудование, без которого не может обойтись ни одна котельная в частном доме.
Котельная в частном доме: основные общие требования
В принципе, требования, выдвигаемые к котельной в частном доме, не такие уж и сложные. И, сами понимаете, соблюдать их в интересах самих же хозяев. Их можно разделить на два вида – общие требования и те, которые свойственны котельному оборудованию, а вернее типу топлива, которое оно использует. Начнем по порядку – с общих требований. К ним можно отнести следующие моменты.
С общими условиями вроде бы разобрались. Теперь посмотрим на специальные требования, которые диктуются использованием того или иного типа котельного оборудования.
Требования к котельной в частном доме в зависимости от типа котла
Каждое топливо имеет свои особенности, и то, что относительно безопасно в одной ситуации, может стать причиной катастрофы в другой. Это нужно понимать и нормально относиться к тому, что каждый вид котельного оборудования добавляет в список основных требований к котельной как минимум пять дополнительных пунктов. Рассмотрим подробнее наиболее часто используемые котлы отопления.
В принципе, из основных требований это все – конечно же, имеются и некоторые другие детали, которые обусловлены индивидуальными факторами. Их обычно указывают в проектной или разрешительной документации, и игнорировать их никак нельзя – в случае их несоблюдения ваша топочная не пройдет стадию сдачи в эксплуатацию. Здесь главное понимать, что все эти требования возникают не на пустом месте и обусловлены, прежде всего, безопасностью.
Устройство котельной в частном доме: оборудование
По большому счету, если речь идет о жидкостной системе отопления, схема котельной в частном доме, вне зависимости от используемого топлива, имеет примерно одинаковый комплект оборудования. Любая топочная не может обойтись без следующих элементов системы.
Также не следует забывать и о более мелком, но, тем нее менее, значительном в любой отопительной системе оборудовании – это всевозможные датчики и сигнализаторы опасности и, естественно, системы вентиляции и дымоудаления. Последним нужно уделить не меньше внимания, чем самому котельному оборудованию – вентиляция обеспечивает приток воздуха, который обуславливает качественное сгорание топлива, а дымоудаление, соответственно, отвод продуктов сгорания. Эти две системы не могут работать друг без друга – дым не может удаляться без притока свежего воздуха.
В общем, котельная в частном доме имеет отнюдь не простую конструкцию – оборудования много, схема обвязки котла тоже сложная. Прежде чем задумываться над самостоятельным ее изготовлением, следует тщательно рассчитать свои силы. Мало того, если вы считаете, что чертежи решат все проблемы, вы ошибаетесь. Как минимум нужно понимать, что происходит в котельной – какая жидкость и куда движется, какой насос что и куда качает
В общем, важно понимать не только устройство, но и принцип работы каждого отдельно взятого узла котельной
Бесплатная консультация
Цены на ремонт, помощь в подборе, приобретении и доставке необходимых материалов и оборудования, а также вызвать мастера для проведения каких-либо работ по монтажу, замене и ремонту канализации Вы можете по телефону +375(44) 518-19-94
Либо оставьте свои контактные данные и мы перезвоним в течении 15 минут.
Схемы котельных установок
Пароводяная смесь, удаляемая из деаэраторной головки, проходит через теплообменник — охладитель выпара.
В котельных с водогрейными котлами часто устанавливаются вакуумные деаэраторы. Составить схему отпуска тепла. Из деаэратора питательной воды питательным насосом вода поступает в паровые котлы и на впрыск в РОУ.
Если на внутренних стенках экранных труб образуется накипь, то это затрудняет передачу теплоты от раскаленных продуктов сгорания к воде или пару и может привести к перегреву металла и разрыву труб под действием внутреннего давления. Так как расходы воды при открытой системе неравномерны по времени, то для выравнивания суточного графика нагрузок на горячее водоснабжение и уменьшения расчетной производительности котлоагрегатов и оборудования водоподготовки предусматривают установку баков-аккумуляторов деаэрированной горячей воды. Рециркуляция необходима для подогрева воды на входе в стальные котлы до темп-р выше темп-р точки росы, значения которых зависят от вида топлива, а также для поддержания постоянного расхода воды через котлы.
При периодических продувках воду, содержащую значительное количество шлама, направляют в расширитель периодических продувок барботер , откуда образовавшийся пар отводится в атмосферу, а остаток воды со шламом сливается в канализацию. При расчете тепловой схемы водогрейной котельной, когда не происходит фазовых превращений нагреваемой и охлаждаемой сред воды , уравнение теплового баланса в общем виде можно записать следующим образом , 3. Такие условия иногда диктуют необходимость использования в тепловых схемах котельных увеличенного количества насосов — сетевых зимних и летних , перекачивающих, рециркуляционных и подпиточных также зимних и летних.
Альтернативные возобновляемые источники, например, солнце, ветер, вода, дождевая вода и биомассы составляют лишь небольшую долю в общем объеме произ-ва энергопотребления, несмотря на то, что она стремительно увеличивается. Это минимизирует мех. Если давление воды снизить до 0,03 МПа, то при этом давлении воды будет кипеть при температуре 68,7 0С. В них пар отдает тепло питательной воде, конденсируется и конденсат вливается в общий поток питательной воды.
Общие положения по проектированию
Частицы золы из золоуловителя и шлак из бункера системой шлакозолоудаления выносятся из котельной. Автоматизация работы котельного оборудования Глупо было бы не воспользоваться возможностями, которые облегчают эксплуатацию отопительных систем.
Тепловые схемы, в которых расход воды через котёл изменяется. Далее нагретая сетевая вода поступает по трубопроводам к потребителю. В общем случае котельная установка представляет собой совокупность котла котлов и оборудования, включающего следующие устройства.
Если пароводогрейная котельная обслуживает открытые водяные сети, тепловой схемой предусматривается установка двух деаэраторов — для питательной и подпиточной воды. Установленный на обратной линии сетевой циркуляционный насос обеспечивает поступление питательной воды в котел и далее в систему теплоснабжения. Дата добавления: ; просмотров: ;. Принципиальная схема котельной с паровыми котлами, отпускающими пар и горячую воду 1 — котлы; 2 — РОУ, 3 — регулирующий клапан, 4 — пароводяной теплообменник, 5 — конденсатоотводчик, 6 — сетевой насос, 7 — фильтр, 8 — регулятор подпитки, 9 — деаэратор, 10 — питательный насос, 11 — аппараты химводоочистки, 12 — подпиточный насос Пароводогрейные котельные, называемые также смешанными, оборудуются указанными выше типами паровых и водогрейных котлов или комбинированными пароводогрейными котлами например, типа KTK и предназначаются для выработки пара на технологические нужды и горячей воды для обеспечения нагрузок отопления, вентиляции и горячего ВС.
Странная схема котельной
Подбор подпиточного насоса для котельной
Насос подпитки должен развить высокое давление большее, нежели в контуре системы отопления при сравнительно небольшой подаче. Все-таки для подпитки не нужна перекачка больших объемов жидкости. Подбор такого насоса осуществляется по нескольким требованиям.

Подбор подпиточного насоса:
- Он должен создавать напор, что превысит давление в обратке СО;
- Также напор должен мочь продавить гидравлическое сопротивление датчика давления, трубопровода;
- Еще важным критерием является расход, в частности, для закрытых СО нормы утечки равняются половину процента от объема теплоносителя в котловом и отопительном контуре.
В то же время хочется сказать, что не очень-то практично для работы приобретать такой насос. В том смысле, что он не должен служить только для подпитки. Он может выполнять и дополнительные функции, например, быть резервным циркуляционным насосом, а также использоваться для закачки и слива воды в контур.
Технологическая схема котельной
После расстановки тепловых генераторов наступает черед подключения аппаратов к инженерным сетям загородного дома – отоплению, водопроводу, электричеству. Все возможные схемы рассмотреть не получится, но мы приведем основные варианты обвязки котлов и водонагревателей в котельной:
- Простейший вариант – подключение одного двухконтурного котла настенного монтажа. Поскольку агрегат изначально укомплектован собственным насосом, расширительным баком и автоматикой, его можно ставить на кухне либо в коридоре, а коммуникации упрятать в стены. Отделять или пристраивать помещение не нужно.
- Схема котельной с твердотопливным котлом предусматривает защиту от холодной «обратки» и выпадения конденсата внутри топливника. Ключевую роль играет трехходовой клапан, не пускающий в рубашку теплоноситель из радиаторов, пока контур с байпасом не прогреется до 50–55 °C.
- Обвязка с теплоаккумулятором повышает эффективность ТТ-котла, который работает в максимальном режиме, отдавая большую часть энергии буферной емкости. Второй трехходовой клапан ограничивает температуру воды на входе в радиаторную сеть, балансировочный вентиль служит для настройки послойной загрузки бака.
- Типовая схема соединения настенного отопителя с бойлером косвенного нагрева. Температуру в резервуаре отслеживает термостат, подающий сигнал контроллеру котла. Электроника переключает трехходовой электроклапан и поочередно направляет теплоноситель в змеевик водонагревателя или батареи отопления.
- При необходимости косвенный бойлер включается в малый контур циркуляции ТТ-котла, как изображено на следующей картинке.
- Схема с двумя котлами – электрическим и дровяным – часто применяется, когда в доме нет газа. Дровяной теплогенератор служит основным источником тепла, электрокотел – вспомогательным (автоматически включается после прогорания твердого топлива).
- Когда требуется объединить несколько энергоустановок и потребителей в котельной, практикуется схема первичного и вторичных колец. В жилых зданиях малой и средней площади данный вариант успешно заменяет более дорогую гидрострелку с коллектором.
Более подробное описание каждой технологической схемы приведено в соответствующих статьях – способы обвязки теплогенераторов и установка электрокотла своими руками.
Электрический котел для частной котельной
Из всех моделей, используемых в частном доме, самым безопасным является электрический котел. Под него не обязательно оборудовать отдельную котельную. При нагреве теплоносителя не выделяются какие-либо продукты сгорания, поэтому и вентиляция для него не нужна.
Монтаж таких котлов выполняется просто, они не создают шума во время работы, за ними легко ухаживать. Электрокотлы имеют высокий КПД, достигающий в отдельных случаях 99%. Недостатком являются высокие требования к мощности сети, а также зависимость от ее стабильной работы.

Поместить электрический котел можно в любом уголке дома, лишь бы это было удобно. Он потребляет много электричества и чаще всего его используют в виде дополнительного источника тепла
Подключение электрического котла выполняют по разным схемам: соединяют его с радиаторами отопления, предусматривают возможность монтажа каскада в случае, когда нужно обогреть большую площадь.
Обвязку выполняют по двум схемам — прямой и смесительной. В первом случае температуру регулируют при помощи горелки, а во втором — с использованием смесителя с сервоприводом.
Устройство котельной
Отопительная система в частном доме включает в себя не только котел и трубы, но и другие, не менее важные для ее эффективного функционирования приборы и коммуникации, располагающиеся в котельной в частном доме по определенной, предварительно рассчитанной и заданной схеме.
Система отопления состоит из:
- отопительного котла, являющимся генератором тепла. Благодаря сгорающему в камере сгорания котла топливу теплоноситель нагревается, и тепло от труб и радиаторов поступает из котельной в частном доме в помещение.
- бака-водонагревателя. Предназначение бойлера – обеспечение обитателей частного дома горячей водой. По трубке, проходящей внутри бака-водонагревателя, циркулирует нагретый теплоноситель, за счет которого и нагревается вода в бойлере.
- распределительного коллектора, состоящего из циркуляционного насоса, гидравлического распределителя и гребенки. Главное предназначение распределительного коллектора — максимально удобное распределение и циркуляция теплоносителя во всех аппаратах системы отопления. а также поддержание температуры теплоносителя.
- расширительного бака, необходимого для компенсации повышения давления в отопительной системе вследствие нагрева теплоносителя.
- группы безопасности, обеспечивающей защиту отопительного контура от избыточного давления и удаляющей излишки воздуха. В эту группу входят: манометр, воздухоотводчик и предохранительный клапан.
- дымохода. От правильности расчета и установки дымохода в котельной в частном доме, монтаж которого выполняется по определенной схеме, в немалой степени зависит безопасность и коэффициент полезного действия отопительной системы.
- трубопроводов, запорной арматуры, применяемой для перекрытия потока среды
- системы подпитки, осуществляющей контроль снижения давления теплоносителя в отопительной системе при испарении или же различных других утечках.
- автоматики, представляющей собой электронное устройство, благодаря которому осуществляется полное управление газовой котельной в частном доме.
Еще по этой теме на нашем сайте:
- Монтаж котельного оборудования в деревянном домеПроизведение многих работ, связанных с отопительной системой — это, как правило, ряд взаимосвязанных ответственных мероприятий, направленных непосредственно на достижение конечного успеха — безусловно, эффект состоит.
Правильный проект котельной – площадь и вентиляцияПри строительстве частных домов особое значение имеет устройство котельной, поскольку она должна полностью соответствовать разнообразным строительным нормам и правилам. Оборудуем котельную в частном доме своими руками
Те, кто строит частный дом, обязательно сталкиваются с такой архиважной задачей, как оборудование котельной. Для того чтобы грамотно с ней справиться, а также избежать распространенных. ЦСП плита — применение для пола в частном домеДеревянный пол создает дополнительный комфорт в комнатах и благоприятную экологическую обстановку
Благодаря крепкому и ровному покрытию, которое создается при помощи цементно-стружечных плит, вы получаете в
ЦСП плита — применение для пола в частном домеДеревянный пол создает дополнительный комфорт в комнатах и благоприятную экологическую обстановку. Благодаря крепкому и ровному покрытию, которое создается при помощи цементно-стружечных плит, вы получаете в.
Нормативы для различных видов котельных
Существуют и другие требования к помещению, зависящие от вида устанавливаемого котла.
Все это прописано в СНиП и требует самого пристального внимания и неукоснительного следования всем нормативам. Какие именно требования для каждой котельной, мы рассмотрим ниже.
Требования к газовой котельной
Нормативы СНиП разрешают монтаж котла мощностью до 30 кВт не в отдельном помещении, а, например, на кухне.
Размеры помещения должны соответствовать следующим нормам: минимальная высота — 2,5 м, минимальная площадь — 6 кв. м, минимальный объем — 15 куб.м.
На размер помещения влияет мощность котла, что объясняется выделением продуктов сгорания. Обязательно устанавливается окно, размер которого также зависит от мощности котла.
Минимальная площадь, которую должно иметь окно, составляет 0,5 кв.м. Устанавливается дверь шириной не менее 0,8 м.
Обязательным элементом является вытяжка. Поэтому внизу стены или двери нужно проделать отверстия для обеспечения воздушного потока.
Для мощного оборудования более 30 кВт согласно СНиП требуется отдельное помещение, которое может находиться как в доме, так и в отдельном строении.
Если монтаж осуществляется внутри, то обязательно нужно учитывать следующие условия:
- должен быть отдельный выход из котельной на улицу;
- хорошее естественное освещение;
- качественная вытяжка;
- стены соседних комнат должны быть огнестойкими.
Конечно, для мощного оборудования предпочтение нужно отдать отдельно стоящему от дома помещению, например, мини котельной.
Устройство такого варианта является более безопасным, менее шумным и экономит жилплощадь дома.
Для отдельной мини котельной можно использовать автономный модуль или построить мини котельную своими руками.
К отдельному помещению предъявляются следующие требования СНиП:
- фундамент котельной и фундамент частного дома не должны соединяться;
- под газовый котел требуется отдельное основание;
- стены и крыша выполняются из негорючих материалов;
- котел должен размещаться на подиуме высотой 20 см;
- дымоходная труба монтируется на отдельном фундаменте.
Пример размещения газового котла представлен на фото.
Требования к твердотопливному котлу
Данная система не относится к взрывоопасной, поэтому нормы СНиП невысокие. Установить оборудование можно в подвале. Размеры помещения аналогичны нормам для газовой котельной.
На полу перед топкой должен лежать стальной лист, а оставшаяся площадь пола должна быть бетонной или облицована огнестойким напольным покрытием.
Обязательно устанавливается окно, размер которого определяется так: 0,8 кв. м на 1кВт мощности котла.
Диаметр дымохода должен соответствовать диаметру патрубка на котле.
Дымоход рекомендуется оштукатурить или вставить в него асбестоцементную трубу, а также сделать в нем специальное отверстие для очистки. Минимальная площадь помещения – 8 кв.м.
Вытяжка обязательна, объем рассчитывается следующим образом: 8 кв. см площади вытяжки на 1 кВт мощности котла, а если оборудование располагается в подвале, то из расчета 24 кв. см на 1 кВт.
Обязательным условием для твердотопливной системы по СНиП является наличие средств пожаротушения: огнетушителя и др. Система пожаробезопасности представлена на фото.
Необходимо отметить, что к мини котельной частного дома предъявляются такие же требования.
Требования к электрокотельной
Самым безопасным вариантом считается монтаж электрического отопления. Отдельное размещение котельной в данном случае не требуется.
Не нужна и вентиляция, так как электрокотел не выделяет продукты сгорания. Поэтому отдельные котельные не нужны, электрокотел может стоять где угодно.
Однако есть и недостатки – зависимость от электричества и потребность в высокой мощности сети.
Требования для двери в котельную
Разные требования к дверям наружных и встроенных топочных определяется их различной ролью в безопасности помещений. Двери встроенных помещений преграждают путь огню и должны выдерживать открытое пламя более 15 минут.
Применение слабо укрепленных дверей в отдельно стоящих зданиях котельных диктуется их предполагаемым выносом при аварийном взрыве, без разрушения основного здания котельной.
Ширина дверного проема и приточные вентиляционные отверстия в конструкции двери оговариваются в требованиях к отдельным видам топочных.
Наружное открывание двери определяется требованиями безопасности, а сама дверь должна относиться к категории пожаробезопасных.
Проектирование домашней котельной
На отопление дома уходит значительная часть семейного бюджета. Поэтому на стадии проектирования системы следует стремиться к ее максимальной оптимизации путем выполнения точного расчета схемы котельной для загородного жилья. Потребуется просчет всех вариантов расположения оборудования, включая котел, расширительный бак, радиаторы, а также учет особенностей разводки и циркуляции.
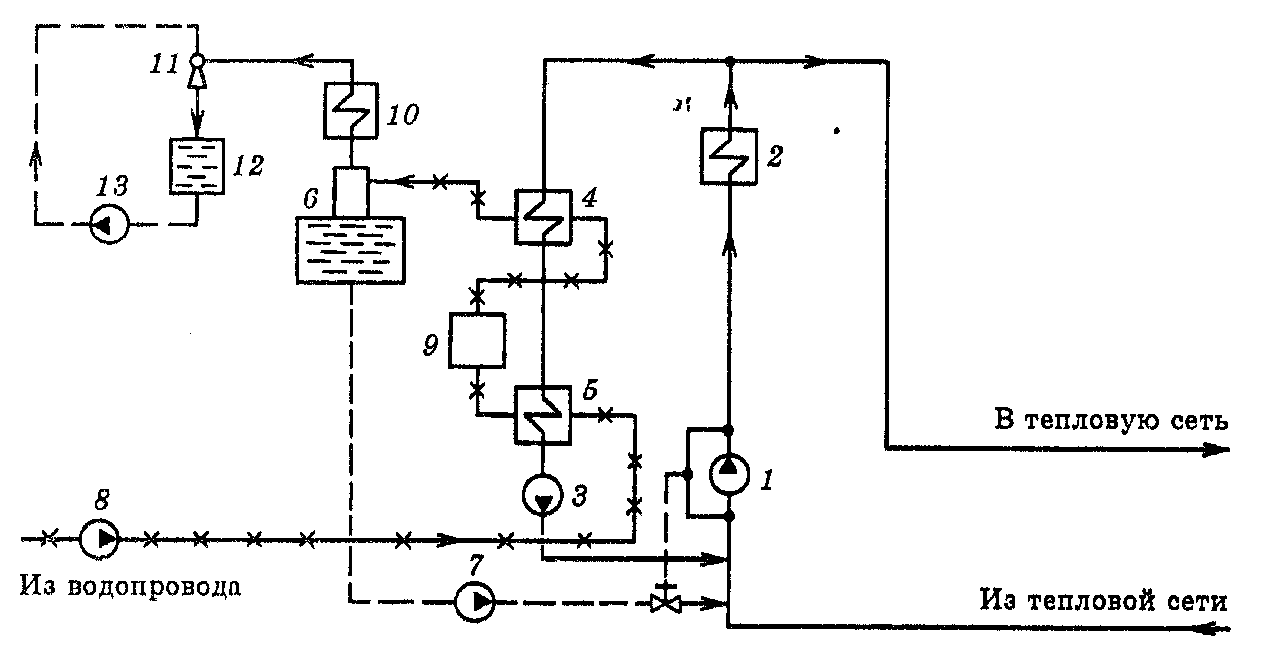
В грамотно составленной принципиальной схеме котельной должны быть отражены все элементы и соединяющий их трубопровод. Стандартный чертеж включает: котлы, насосы — подпиточные, сетевые, циркуляционные, рециркуляционные, баки — конденсационные и аккумуляторные, теплообменники, вентиляторы, устройства подачи и сжигания топлива, пульты управления, тепловые щиты, деаэратор воды.
Возможные варианты схем
При составлении типовой схемы котельной можно взять за основу один из двух вариантов тепловых сетей — открытого и закрытого вида. Монтаж открытой схемы менее затратный, но обходится дороже в процессе эксплуатации. Второй вариант более сложный на начальном этапе, зато утечка теплоносителя практически сведена к нулю, поскольку система герметична. Такую схему используют в большинстве частных домов.
В состав закрытой системы входит котел, обеспечивающий горячим теплоносителем как систему отопления, так и водонагревательный контур, замкнутый трубопровод горячего водоснабжения. Циркуляция теплоносителя осуществляется здесь принудительно посредством насоса. Это позволяет при монтаже труб, не особенно заботясь об уклонах, прокладывать их как более удобно.
Требования к помещению котельной
Существует 2 вида требований, выдвигаемых к котельной в частном доме — общие и конкретные в зависимости от категории применяемого топлива. К требованиям первого вида относятся:
В одном помещение допускается установка максимум 2 котлов, какой бы ни была его площадь.
При строительстве и отделке котельной недопустимо использование материалов, не соответствующих требованиям пожарной безопасности. Для возведения стен необходимо использовать кирпич или бетонные блоки, а в виде отделки — штукатурка или плитка. На полу должно быть бетонное или металлическое покрытие.
Вентиляция и дымоход должны соответствовать установленному оборудованию. Особые требования предъявляют к вентиляции в случае использования оборудования, работающего на газе. В любом случае воздух в помещении должен циркулировать и обновляться не менее 3 раз в течение 60 мин.
Обязательное условие — наличие окна и двери, открывающейся наружу. Возможно наличие второй двери, ведущей в подсобное помещение, но выполнить ее нужно в соответствии с условиями противопожарной безопасности.
Площадь помещения котельной следует рассчитать исходя из характеристик оснастки, которую планируется установить и с учетом дополнительных квадратных метров для удобного обслуживания. Существует еще ряд дополнительных требований к помещению и оборудованию котельных, зависящих от принятого решения относительно вида топлива.
Оборудование для обустройства котельной
Независимо от выбранного вида топлива технологическая схема любой котельной включает приблизительно одни и те же обязательные элементы. Главное место в котельной занимает котел. Здесь теплоноситель нагревается, а затем по трубопроводам поступает в радиаторы.
Если дом имеет большую площадь, то необходим коллектор, распределяющий теплоноситель между отопительными приборами, объединенными в отдельные группы. На коллектор устанавливается гидрострелка, представляющая собой полую трубу с выходящими из нее патрубками. На каждый контур монтируют циркуляционные насосы. Входит в состав коллектора и группа безопасности, включающая ряд датчиков, манометры, термометры.

Расширительный бак также неотъемлемый элемент схемы. Не обойтись в частном доме и без водонагревателя, обеспечивающего его жильцов горячей водой. Современную котельную обязательно снабжают автоматикой, контролирующей все параметры системы. В любой схеме есть трубопровод для подачи теплоносителя, запорная арматура, позволяющая выполнять регулировку и настройку системы отопления.
В отопительной системе обязательно есть две взаимосвязанные системы —дымоудаления и вентиляции. Они не менее важны, чем котельное оборудование. Вентиляция обеспечивает качественное сгорание топлива за счет притока воздуха. Дымоудаление отводит дымовые газы.
Котельная с твердотопливным котлом
Согласно с требованиями строительных норм, твердотопливные котлы устанавливают только в нежилых помещениях. Если мощность агрегата большая, потребуется строительство отдельно стоящей котельной. К помещению под твердотопливный котел выдвигается ряд требований:
- наименьшая дистанция между дверцей топки и стеной — от 1,2 до 1,5 м;
- минимальное расстояние от боковых стенок котла до стены, выполненной из несгораемого материала или защищенной специальным экраном — 1 м;
- промежуток между задней стенкой котла, имеющего заднее подключение и стенкой из сгораемого материала с защитным экраном — 0,5 м;
- над помещением котельной нельзя устраивать никаких дополнительных надстроек;
- в помещении необходима приточная вентиляция, находящаяся в нижней части в виде промежутка между дверью и полом или отверстия в стенке.
Если стена выполнена из материала, отвечающего требования противопожарной безопасности, то допускается трубу, находящуюся за котлом, крепить к ней посредством кронштейнов. Чтобы эксплуатировать ТТ с параметрами 1х0,8 м у основания хотя бы с минимумом комфорта, нужно установить его в помещении 2,8х2,5 м. С возрастанием габаритов агрегата увеличивается и площадь котельной.

Если котельная имеет вид пристройки, то правильное место нахождения для нее — глухая стена. Дистанция до окон и дверей как в вертикальном, так и в горизонтальном направлениях, должна составлять не менее 1 м. При нахождении котельной в подвале, цокольном или первом этаже необходимо установить дверь, открывающуюся наружу.
Оборудование для твердотопливной котельной
Функциональная и грамотно составленная схема котельной с твердотопливным котлом должна включать ряд элементов:
- Теплогенератор, оснащенный соответствующими бункерами, камерами для топлива и т.д.
- Обвязку ТТ котла состоящую из циркуляционного насоса, 3-ходового клапана, группы безопасности.
- Дымоход.
- Водонагреватель накопительный для снабжения дома горячей водой.
- Автоматику — погодозависимую или внутридомовую.
- Систему пожаротушения.
В качестве топлива для ТТ применяют уголь, торф, дрова. Диаметр дымохода в котельной с ТТ агрегатом должен быть равным сечению патрубка котла. В помещении необходима вытяжная вентиляция, рассчитанная так, чтобы на каждые 8 см? ее площади приходился 1 кВт мощности котла. Если котел установлен в подвале, этот параметр умножается на 3.
Вокруг основания котла необходимо проложить стальной лист. Нужно чтобы он выступал с каждой стороны на 1 м. Слой штукатурки на стенах по толщине должен быть не меньше чем 3 см. В самом дымоходе, имеющем по всей длине одинаковое сечение, предусматривают отверстия для сбора и удаления копоти. Обязательным атрибутом являются средства для тушения возгорания.

На 1 кВт мощности ТТ котла должно приходиться около 0,08м? площади остекления. Предельно допустимая площадь котельной — 8м?. Если топку планируют загружать углем, то электрическую проводку необходимо защитить от угольной пыли, т.к. она может взорваться при определенной концентрации.
Какие документы нужно подготовить

Чтобы начать пристраивать здание, потребуется получить в управлении архитектуры и местных органах власти разрешение на начало строительства.
Для этого владельцу жилого дома потребуется предоставить такие документы:
- Заявления типового образца, можно взять в отделе архитектуры по месту жительства.
- Документы подтверждающие право собственности на дом и земельный участок.
- Проект топочной с расчетами тепловых нагрузок, выбором оборудования и схемами подключения труб системы отопления.
- Технические условия от производителей услуг газо-, водо- и электроснабжения.
- Паспорт на котельное оборудования и сертификат его соответствия российским нормам.
- Санитарное заключение по санитарной безопасности объекта для проживающих.
- Заключение МЧС по пожарной безопасности объекта.
Пристройка для топочной допускается для установки 2-х котлов с суммарной производительностью до 150 кВт.
Выбор бойлера для котельной в частном доме
Следует понимать, что использовать горячую воду из отопительной системы для мытья посуды, душа, умывания нежелательно – её качество может не соответствовать нормам. Потому, если двухконтурный котёл не оборудован встроенным бойлером, последний необходимо приобретать отдельно. Для частных домов чаще всего приобретается модель с косвенным нагревом – герметичный резервуар с хорошей теплоизоляцией, внутри которого располагается спиральная трубка, а по ней, в свою очередь, циркулирует теплоноситель из отопительного котла. Прибор подогревает питьевую воду, а она затем направляется на бытовые нужды жильцов частного дома.
Схема, изображающая подключение бойлера к котлу и принцип работы
Выбирая подобное оборудование, следует обращать внимание на то, сколько горячей воды нужно семье, проживающей в коттедже, за какое время ее способен подготовить бойлер и какая часть мощности котла будет тратиться на это. Для двух человек хватит устройства объемом 50-70 л, для трех – 100 л, а для большего количества жильцов или при более высоком уровне потребления горячей воды понадобится 150-200 л. Как происходит установка бойлера своими руками( видео), Вы можете в нашей статье
Как происходит установка бойлера своими руками( видео), Вы можете в нашей статье.
Общие этапы
Подготовка помещения для монтажа отопительного прибора состоит из определенных этапов. В зависимости от вида котла они могут незначительно отличаться друг от друга.
Составление проекта
Согласно характеристик оборудования выбирается помещение, где оно будет установлено. Для газового котла мощностью до 30 кВт возможен вариант монтажа на кухне. Но при этом необходимо выполнить ряд условий по обеспечению безопасности.
В частном доме предпочтительно выделить для котельной отдельное помещение. Это позволит в полной мере реализовать систему безопасности и контроля за работой отопительного оборудования.
Согласование проекта в специальных государственных структурах
В основном это относится к газовому оборудованию, так как контроль по его подключению и работе должны осуществлять представители управляющей организации. Что же касается пусконаладочных мероприятий, то это зона ответственности компании-подрядчика. Ее выбор остается исключительно за собственником дома.
Адаптация помещения в соответствии с требованиями нормативных документов
Это касается мер пожарной безопасности, установки приточно-вытяжной вентиляции, естественного освещения в будущей котельной.
Газовый котел
Газовый котел – самый распространенный тип отопительной техники. Благодаря относительно небольшим габаритам газовые котлы малой мощности можно разместить на кухне.
Но при этом должны быть соблюдены следующие меры безопасности:
- Общая площадь помещения не должна быть менее 15 м² при минимальной высоте потолков 2,2 м.
- Принудительная вентиляция является обязательным условием, даже если установлен котел с закрытой горелкой и забор воздуха для его работы происходит через коаксиальный дымоход с улицы.
- Отношение площади остекления к общей квадратуре помещения должно быть не менее 1/3.
- Стена, на которой устанавливается котел, должна быть сделана из негорючих материалов. Дополнительно может монтироваться защитный противопожарный экран.
Если же мощность котла превышает 30 кВт, но не более 150 кВт – то необходимо предусмотреть отдельное помещения для его монтажа. Он должно отвечать таким требованиям:
- Высота потолков не меньше, чем 2,5 м.
- Общая площадь не должна вызывать затруднений при обслуживании системы отопления. Но в то же время его объем котельной должен составлять не менее 15 м³.
- Стены делаются из материала с пределом огнестойкости 0,75 ч, а коэффициент распространения огня по их поверхности равен нулю.
- Помимо искусственного освещения предусматривается и естественное . Расчет остекления равен 0,03 м² светового проема к 1 м³ объема помещения.
- Вытяжная вентиляция проектируется из расчета 3-х кратного полного замещения воздуха в час.
Если помещение расположено на 1-м или цокольном этажах здания, то оно должно иметь отдельный выход наружу. Возможна установки дополнительной двери из котельной непосредственно в дом, но при этом ее класс противопожарной безопасности должен быть 3-ей категории.
При использовании сжиженного газа в качестве энергоносителя нельзя хранить баллоны с ним в котельной. Для этого обустраивают отдельные площади, откуда с помощью газовой магистрали топливо поступает в котел.
Твердотопливный котел
Для котлов, работающих на твердом топливе ситуация несколько иная. Желательно планировать помещение котельной еще на этапе проектирования дома, так как помимо требований к вентиляции и площади необходимо предусмотреть дымоходный канал.
Для твердотопливного оборудования отдельное помещение котельной является обязательным условием. При обустройстве следует учитывать такие требования:
- Общая площадь должна быть не менее 7 м². Следует учитывать возможность проведения ремонтно-обслуживающих мероприятия.
- Вентиляционный канал для притока свежего воздуха рассчитывается из пропорции 8 см² площади на 1 кВт мощности оборудования.
- Стены и пол изготавливаются из негорючего материала. Если вес отопительного оборудования велик – желательно сделать под него отдельный фундамент.
- Высота дымоходной трубы не меньше 5 м.
- Количество изгибов и поворотов в ней не превышает трех.
Общим условием для монтажа отопительного оборудования является установка предохранительно-защитных устройств, как в самом котле, так и в отопительной системе. Это запорные клапаны, байпасы, датчики дыма и т.д.

































