Возможные неисправности, при которых не работает конфорка плиты
Мастера «РемБытТех» отремонтировали более 2500(!) газовых плит, у которых не зажигалась конфорка. По нашему опыту поломка связана либо с подачей газа, либо с неисправностью системы электроподжига. Наиболее частые неисправности собраны в таблицы. Эта информация поможет вам самостоятельно провести диагностику плиты и узнать примерную стоимость ремонта конфорки.
Поломки, связанные с подачей газа к горелке
Газ к конфорке не идёт или по каким-то причинам перекрывается системой газ-контроль.
| Признаки | Поломка | Ремонт или замена |
| Конфорка газовой плиты загорается и сразу гаснет после отпускания ручки. | Неисправность в системе газ-контроля. Вышла из строя термопара с датчиком пламени или электромагнитный клапан. Из-за этого плита перекрывает газ, и пламя тухнет. | Необходима замена термопары, электромагнитного клапана или всей системы газ-контроля в сборе. |
| Датчик температуры газ-контроля плохо попадает в пламя. Такое происходит, если вы самостоятельно меняли термопару или чистили горелку конфорки и задели датчик. | Требуется регулировка датчика термопары газ-контроля. | |
| Конфорка плохо горит, стала тухнуть при отпускании ручки или перестала зажигаться совсем. | Произошло засорение форсунки сопла горелки. Из-за загрязнения пищевыми остатками газ плохо поступает в конфорку через отверстие, как следствие – пламя слабое. Датчик газ-контроля не фиксирует нагрев и перекрывает подачу газа. При сильном засорении сопла конфорка может не зажигаться. | Нужно провести чистку или замену форсунки. |
Ручка включения конфорки плохо проворачивается, конфорка не загорается. | Заклинило газовый кран, и ручку горелки не получается повернуть на максимум. Обычно проблема возникает из-за попадания мелких частиц (сор, нагар) в механизм крана или высыхания смазки. | Требуется разборка газового крана, прочистка и смазка. В исключительных случаях выполняется его замена. |
Все горелки плиты не загораются или зажигаются, но горят плохо и гаснут. | Переход на газ более низкого давления. Например, при переходе на газ из баллонов. | Необходимо заменить форсунки горелок на другие, рассчитанные на более низкое давление (у них более широкое соплом жиклёра). |
Неисправности, связанные с отсутствием элекроподжига у конфорки
При неполадках автоподжига, горелка будет загораться от спички, но не включаться в автоматическом режиме.
| Признаки | Поломка | Ремонт или замена |
Конфорка газовой плиты плохо зажигается автоподжигом или не поджигается вовсе. Если зажечь спичкой, то все работает штатно. Искра электроподжига на неработающей горелке слабая, бьёт в сторону или отсутствует совсем. | Неисправность свечи электроподжига (разрядника). Мастера «РемБытТех» сталкивались с четырьмя видами неполадок свечи горелки:
| Требуется проверить свечу:
|
Ни одна из конфорок плиты или панели не работает. Искры нет на всех горелках или она слабая и с желтым окрасом. | Поломка блока автоподжига, отвечающего за генерацию искры. | Нужно заменить блока электроподжига. |
При включении горелки нет искры, но при поджиге спичкой конфорка загорается. | Неисправность кнопки поджига. Кнопка выходит из строя из-за окисления контактов (при попадании в них влаги, мелкого мусора) или механического повреждения. | В случае, если контакты кнопки окислились – их зачищают. При механических повреждениях производится замена кнопки. |
| Искры нет на всех конфорках, но с помощью спички газовая плита или панель зажигается нормально. | Обрыв проводки к блоку электроподжига. Характерен для частных домов, где проводку перегрызают грызуны-вредители (мыши, крысы). | Требуется восстановление проводки. |
Подключение газового шкафа
Основная задача при самостоятельном подключении духового газового шкафа заключается в подводке газа к духовке. Перед тем, как подключить шкаф, надо осознавать, что эту работу должны выполнять квалифицированные мастера. В противном случае возможно нарушение соединений и утечка газа, что может привести к тяжёлым последствиям.
Важно!
Подключение любых газовых приборов строго запрещено на участке трубы до основного газового крана, в случае крайней необходимости эти работы должны производить лицензированные службы.
По правилам техники безопасности участок между общим краном, перекрывающим подачу газа, и варочной поверхностью должен быть надежно защищен от любых механических и температурных воздействий. Поэтому он выполняется из стальной водогазопроводной ВГП трубы, но данное требование устарело и во многих домах вместо стальной трубы используется специальный гибкий газовый шланг.
При монтаже важно обеспечить свободный доступ для экстренного отключения в случае возникновения аварийной ситуации. Подключение к системе центрального газоснабжения может быть осуществлено двумя способами: с помощью жесткой стальной или медной трубы, или посредством гибкого сильфонного шланга (резиновый шланг в металлической оплетке из нержавейки)
Подключение к системе центрального газоснабжения может быть осуществлено двумя способами: с помощью жесткой стальной или медной трубы, или посредством гибкого сильфонного шланга (резиновый шланг в металлической оплетке из нержавейки)
Подключение к системе центрального газоснабжения может быть осуществлено двумя способами: с помощью жесткой стальной или медной трубы, или посредством гибкого сильфонного шланга (резиновый шланг в металлической оплетке из нержавейки).
При первом способе требуются сложные сварочные работы с вызовом специалистов, поэтому для подключения духовки своими руками проще использовать специальные газовые шланги. Сама работа в этом случае состоит из нескольких этапов.
Пример сильфонного шланга
Прежде всего необходимо убедиться в том, что всё применяемое оборудование и комплектующие сертифицированы и соответствуют нормам безопасности. Гарантией этого может служить приобретение всех деталей у официального надежного продавца.
Дополнительно на газовом шланге должен быть указан срок службы и условия эксплуатации изделия.
Если в кухню устанавливается только один духовой шкаф, достаточно присоединить сильфонный шланг от патрубка за общим краном газовой магистрали к входу духовки (при необходимости его можно заменить на более длинный).
При этом следует помнить, что запрещается использование бытовых газовых шлангов длиной более двух метров.
Пример тройника для варочной поверхности и газовой духовки
Часто возникает ситуация, когда к газовой сети нужно подключить встраиваемый духовой шкаф и варочную панель одновременно. В этом случае на наружном патрубке трубы или шланга делается разветвление путём установки тройника.
Далее к тройнику присоединяются два крана отдельно на встроенный духовой шкаф и варочную поверхность, от них при помощи двух сильфонных шлангов осуществляется непосредственное подключение газового оборудования.
Важно!
Нередко духовые шкафы имеют два входа для подключения с обеих сторон, поэтому необходимо на свободный патрубок после подключения ставить заглушку. Иногда входной патрубок духовки выходит из плиты не под углом, а прямо, что неудобно для подключения. В этом случае на его свободный конец устанавливается г-образный переходник, облегчающий подключение.
Электроснабжение духовки необходимо осуществлять по отдельной линии, всё подключаемое оборудование должно быть заземлено.
После работ необходимо проверить, как правильно собраны все комплектующие и их герметичность, с целью выявления возможных утечек газа. Для этого используется мыльная эмульсия, которая наносится на стыки всех соединений. В этом случае, если появляются пузыри, производится разборка проблемного соединения и уплотнение его ленточной обмоткой или паклей.
К подключению духовки нужно отнестись максимально серьезно, особенно если это газовый духовой шкаф
По завершении всех работ духовка устанавливается в предназначенную для нее нишу и фиксируется крепежными шурупами.
Возможные неисправности, при которых не работает конфорка плиты
Мастера «РемБытТех» отремонтировали более 2500(!) газовых плит, у которых не зажигалась конфорка. По нашему опыту поломка связана либо с подачей газа, либо с неисправностью системы электроподжига. Наиболее частые неисправности собраны в таблицы. Эта информация поможет вам самостоятельно провести диагностику плиты и узнать примерную стоимость ремонта конфорки.
Поломки, связанные с подачей газа к горелке
Газ к конфорке не идёт или по каким-то причинам перекрывается системой газ-контроль.
| Признаки | Поломка | Ремонт или замена |
| Конфорка газовой плиты загорается и сразу гаснет после отпускания ручки. | Неисправность в системе газ-контроля. Вышла из строя термопара с датчиком пламени или электромагнитный клапан. Из-за этого плита перекрывает газ, и пламя тухнет. | Необходима замена термопары, электромагнитного клапана или всей системы газ-контроля в сборе. |
| Датчик температуры газ-контроля плохо попадает в пламя. Такое происходит, если вы самостоятельно меняли термопару или чистили горелку конфорки и задели датчик. | Требуется регулировка датчика термопары газ-контроля. | |
| Конфорка плохо горит, стала тухнуть при отпускании ручки или перестала зажигаться совсем. | Произошло засорение форсунки сопла горелки. Из-за загрязнения пищевыми остатками газ плохо поступает в конфорку через отверстие, как следствие – пламя слабое. Датчик газ-контроля не фиксирует нагрев и перекрывает подачу газа. При сильном засорении сопла конфорка может не зажигаться. | Нужно провести чистку или замену форсунки. |
Ручка включения конфорки плохо проворачивается, конфорка не загорается. | Заклинило газовый кран, и ручку горелки не получается повернуть на максимум. Обычно проблема возникает из-за попадания мелких частиц (сор, нагар) в механизм крана или высыхания смазки. | Требуется разборка газового крана, прочистка и смазка. В исключительных случаях выполняется его замена. |
Все горелки плиты не загораются или зажигаются, но горят плохо и гаснут. | Переход на газ более низкого давления. Например, при переходе на газ из баллонов. | Необходимо заменить форсунки горелок на другие, рассчитанные на более низкое давление (у них более широкое соплом жиклёра). |
Неисправности, связанные с отсутствием элекроподжига у конфорки
При неполадках автоподжига, горелка будет загораться от спички, но не включаться в автоматическом режиме.
| Признаки | Поломка | Ремонт или замена |
Конфорка газовой плиты плохо зажигается автоподжигом или не поджигается вовсе. Если зажечь спичкой, то все работает штатно. Искра электроподжига на неработающей горелке слабая, бьёт в сторону или отсутствует совсем. | Неисправность свечи электроподжига (разрядника). Мастера «РемБытТех» сталкивались с четырьмя видами неполадок свечи горелки:
| Требуется проверить свечу:
|
Ни одна из конфорок плиты или панели не работает. Искры нет на всех горелках или она слабая и с желтым окрасом. | Поломка блока автоподжига, отвечающего за генерацию искры. | Нужно заменить блока электроподжига. |
При включении горелки нет искры, но при поджиге спичкой конфорка загорается. | Неисправность кнопки поджига. Кнопка выходит из строя из-за окисления контактов (при попадании в них влаги, мелкого мусора) или механического повреждения. | В случае, если контакты кнопки окислились – их зачищают. При механических повреждениях производится замена кнопки. |
| Искры нет на всех конфорках, но с помощью спички газовая плита или панель зажигается нормально. | Обрыв проводки к блоку электроподжига. Характерен для частных домов, где проводку перегрызают грызуны-вредители (мыши, крысы). | Требуется восстановление проводки. |
Электрическая система
К классическому розжигу вопросов быть не должно: зажигаем спичку, подносим её к конфорке, и газ воспламеняется. Современные модели оснащаются более продвинутыми системами с пьезоэлементом. Последний представляют собой небольшой модуль с отводом к конфорке, где при нажатии на кнопку появляется искра, воспламеняющая топливо.
Техника может комплектоваться как полностью автоматическими системами розжига, так и полуавтоматическими. Последняя устанавливается, как правило, на бюджетных и среднебюджетных газовых плитах.
- Автоматический розжиг. Сразу после поворота рычага для подачи газа активируется пьезоэлемент на выбранной конфорке, и происходит воспламенение.
- Полуавтоматический розжиг. При нажатии на кнопку искра проходит по всем конфоркам, но загорается только та, где был открыт газовый клапан.
Обе системы зависят от электричества и не будут работать за его отсутствием. В этом случае для розжига придётся использовать спички или зажигалку.

Помимо электрического розжига, в газовой печи есть и другие элементы, работающие от электричества. Очень часто разработчики устанавливают внутрь духового шкафа электрический гриль, чтобы обеспечить блюду румяную корочку. Также у каждой современной модели есть система внутренней подсветки. Включается она нажатием специальной клавиши на панели управления, расположенной на лицевой стороне изделия. Работающий духовой шкаф подсвечивается изнутри для визуального контроля за качеством приготовления.

Мощность
Среди основных вопросов, которые часто задают пользователи, встречается такой: какая мощность должна быть у газовой плиты, чтобы можно было готовить пищу без ограничений. Сегодня производители выпускают бытовые плиты разной мощности, что напрямую зависит от установленных нагревательных элементов. В стандартной комплектации мощность конфорок варьируется от 1 до 3 кВт, например, эконом — 1,2х1,9 и большая 3 кВт, суммарно получаем 7,8 кВт, но нельзя забывать и про духовку, а это еще 2-2,5 кВт.
Отлично показали себя во время эксплуатации плиты с усиленными конфорками типа WOK с двумя и тремя рядами пламени: они довольно быстро разогревают посуду и уменьшают процесс приготовления горячей пищи, мощность у них доходит до 3,5 кВт. Такие устройства хороши для разогрева заранее приготовленных блюд, если надо быстро сварить макароны на всю семью, собравшуюся после трудового дня.
Пользоваться такими мощными конфорками надо осторожно, т. к
продукты при экстренном приготовлении или разогреве могут пригореть, всё познается методом проб и ошибок. Опытные хозяйки до закипания устанавливают максимальное пламя, а затем переводят конфорку на малый огонь, такой метод очень хорош для тушения рагу или соте из овощей, где нужна долгая тепловая обработка на медленном огне. Новейшие разработки позволили устанавливать конфорки нового поколения, где при минимальном режиме пламя скрывается под крышкой и нагрев происходит более равномерно, потому что передача тепла происходит без каких-либо потерь.
Контрольно-управляющая система
Контроль над горением осуществляет термопара. Ее задача перекрыть поступление топлива в тот момент, когда пламя гаснет. Функционирует газ-контроль самостоятельно и не зависит от электропитания. Когда газ открывается, то освобождается параллельно заслонка электромагнитного клапана. Она не будет падать, пока происходит регулирование ручкой интенсивности пламени.
При нагревании термопара выдает ток на сам электромагнит, который теперь уже и удерживает заслонку. Если создается непредвиденная ситуация и пламя гаснет самопроизвольно, то быстро остывающая термопара уже не действует на электромагнит, заслонка опускается, закрывая подачу газа.
Газовая духовка
Старые модели духовок оборудованы горелкой в форме двух труб, на которых размещены инжекторы. Поджигалась она специальной длинной спичкой. Подобная конструкция требует хорошего притока воздуха и последующего вывода отработанных газов. По этой причине ставили плиту с соблюдением зазоров со шкафами, а также с открытым нижним проемом. Современные усовершенствованные горелки профилированные, имеют электроподжиг и более безопасные в использовании.
Подключение газового прибора к опуску
Газовая труба, как правило, располагается в углу помещения и идет снизу вверх. Стояк имеет патрубок с краном – опуск. К нему и подсоединяются газовые приборы. Подключение может быть жестким, с использованием металлического рукава. Подобное подключение встречается только в домах со старыми плитами. Этот метод достаточно сложен, поэтому рассматриваться не будет.

Схема подключения газовой плиты с помощью гибкого шланга.
После установки плиты на выбранное место ее соединяют с опуском при помощи резинового шланга. Для этого выход шланга обматывают уплотнительной нитью и вкручивают его в кран. Обратный конец шланга подключают к газовому прибору. В выход ставится специальная прокладка с сеткой, защищающая соединение шланга и выход от загрязнений.
Если выход прибора имеет резьбу 3/8′, потребуется установка переходника, на который заранее нужно намотать уплотнительную нить. После этого можно подсоединять гибкий шланг. Если он имеет размер 1/2′, на нее наматывают уплотнитель и прикручивают гибкий шланг. Все соединения затягивают газовыми ключами. Для перекрытия газа иногда требуется затвор, продающийся в специальных магазинах. Для того чтобы подключить плиту в помещениях, не имеющих газоснабжения, потребуется сжиженный газ и замена сопел в горелках. Большие сопла меняют на сопла меньшего размера.
После того как монтаж плиты будет завершен, нужно открыть шаровой кран и проверить качество соединений, обмазав их мыльным раствором. Если пузырей в местах соединений нет, значит, газ не выходит, соединение сделано правильно, прибор готов к использованию.
https://kuhnyamoya.ru/youtu.be/ndhN28GR9BQ
Если ваша плита имеет электрический духовой шкаф, нужно выполнять подведение электричества. Для этого устанавливается розетка с заземлением и проводится силовая линия от щитка. Рекомендуется применять провод ПВС 3х1,5. Электрощит нужно снабдить автоматическим переключателем на 16 А. Использовать бытовую розетку нельзя, так как сечение кабеля отличается от характеристик розеток, а проводка не может выдерживать большие нагрузки. Неправильное подключение проводки может приводить к опасным последствиям.
В завершение нужно рассказать о нормах техники безопасности и основных нюансах установки газовых приборов
Не стоит скрывать шланги гипсокартонными конструкциями. Используйте специальные короба. Количество соединений не должно превышать указанное в нормативных документах число. Покрывать шланг краской не стоит, это может привести к его повреждению. Более привлекательный внешний вид ему можно придать с помощью клейкой бумаги.
https://kuhnyamoya.ru/youtu.be/F5ur7i_kAX0
Материал
При выборе газовой плиты хорошего качества важно обратить внимание на материал варочной поверхности. Это может быть:
- Эмалированная сталь;
- Нержавеющая сталь;
- Стеклокерамика.
Эмалированная сталь
Это покрытие хорошо нам знакомо по старым моделям плит. И сегодня такая варочная поверхность и корпус сохраняют свою актуальность.
Преимущество газовой плиты с эмалированной сталью – дёшево. Но есть и недостатки:
- Со временем эмаль начинает скалываться;
- Если материал пористый, он быстро пачкается и трудно моется;
- Во время пользования могут появиться царапины, особенно если при чистке пользоваться неправильными средствами и грубыми мочалками. Но при этом без них хорошо почистить плиту порой невозможно.
Нержавеющая сталь
Используется как при производстве варочной поверхности, так и корпуса. Может быть матовой или отполированной. Выглядит такая плита стильно, чем хорошо дополняет интерьер, и ухаживать за ней не сложно.
Но обратите внимание не только на преимущества газовой плиты из нержавейки, но и на её недостатки:
- Ухаживать за материалом можно только спец. средствами;
- На плите остаются пальцы, стоит до неё дотронуться, следы от капель и пр. Поэтому придётся тратить больше времени, чтобы она всегда выглядела убранной.
Стеклокерамика
Стекло выглядит ярко и красиво, при этом не теряет своей привлекательности и после долгой эксплуатации, не боится перепадов температур и повреждений. Ухаживать за ним тоже не сложно. Но это самый дорогой материал из представленных, поэтому стоит подумать.
Пользователи отметили следующие недостатки газовой плиты со стеклокерамикой:
- Отсутствие бортиков. Поэтому если что-то прольётся из кастрюли, то убирать придётся не только рабочую поверхность, но и фасад;
- Опасно проливать всё, что содержит большое количество сахара – сироп, варенье и т.д. Если уже случилось – убирать нужно здесь и сейчас, иначе потом это сделать очень тяжело;
- Для уборки используются только спец. средства.
Особенности настройки газовых плит
Чтобы перейти с первой пары давлений ко второй в первой категории, меняются сопла либо дроссельные шайбы, либо регулировкой шибера подачи воздуха. Собственно, указанные методики видим у белорусов. Часто встречается необходимость подстройки или замены винта Малого огня. В этом смысле ремонт газовых плит Ардо повторяет ремонт газовых плит Ariston. В семействе 3P запрещается переход на альтернативный вид газа. Допускается замена сопла, регулировка подачи воздуха либо редуктора для смены рабочего давления.
У второй категории гораздо интереснее. При переходе с газа первого семейства на второе производятся манипуляции:
- Замена инжекторов или дросселей.
- Настройка расхода газа для первого семейства. Для второго семейства, наоборот, регулирующие устройства изымаются.
- Замена запальной горелки.
- Настройка подачи воздуха.
Громоздко стандарт рассказывает о наличии регулятора давления, который снимается в отдельных случаях:
- Регулятор давления не допускается ставить, когда подстройка ведется без изменения входного потока.
- Исключения составляют приборы из семейств 2Р+, 2L+, 2E+.
- В остальных случаях наличие регулятора давления газа допускается.

В газовых плитах второй категории переход между вторым и третьим семейством (и наоборот) проходит описанным образом:
- Смена форсунки или дросселя.
- Исключение регулятора давления для второго семейства в случаях, указанных выше.
- Для третьего семейства убираются элементы предварительной настройки малого расхода.
- Настройка подачи воздуха.
Плюсы и минусы плиты с газ-контролем
@stroy-podskazka.ru
Газовый контроль печки имеет ряд весомых преимуществ:
- Необходимость удерживать ручку в нажатом состоянии, прежде чем огонь загорится, исключает возможность включения маленьким ребёнком.
- Независимо от причин угасания пламени, система отключает подачу топлива уже через минуту.
- Исключается необходимость постоянно находиться рядом с печкой, даже если что-то сбежит, конфорка отключится автоматически.
Хозяева печей с контролем подачи топлива отмечают и недостатки:
- Некоторые печки с системой безопасности включаются через 5 секунд, ручку других нужно удерживать до 20 сек., пока огонь загорится.
- Если термопара выходит из строя, конфорка перестаёт функционировать.
- Починить поломку датчика самому невозможно, необходимо вызывать квалифицированного специалиста;
- Печка с датчиком стоит дороже.
Конструкция газовых плит
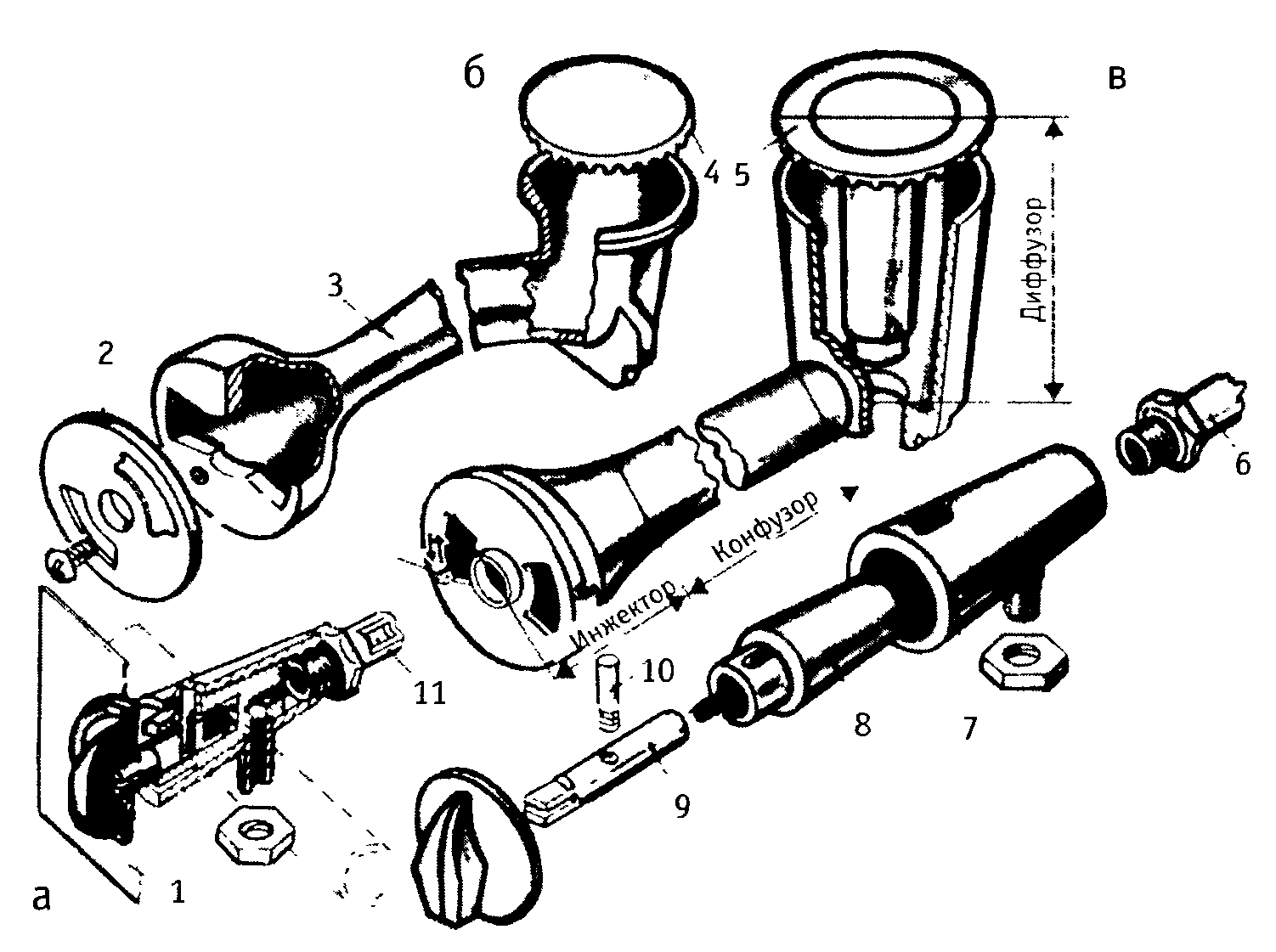
Выпускаемые нашей промышленностью газовые плиты предназначены для работы на природном и сжиженном газе. Установленный срок службы плиты по ГОСТ Р 50696-94 не менее 14 лет. В различных ведомствах этот срок продлен до 20—25 лет. Фактически же плита служит до прогара духовки (рис. 1-10-7).
Рис. 1-10-7. Части газового тракта газовых плит прошлых лет выпуска: а — пробковый кран, б, в — горизонтальные горелки; 1 — щиток; 2 — регулятор первичного воздуха; 3 — корпус горелки; 4 — колпачок; 5 — насадка; 6 — газопровод; 7 — корпус горелки; 8 — пробка; 9 — стержень; 10 — стопорный винт; 11 — сопло горизонтальное
В табл. 1.10.7 в графе «тип» первая цифра, следующая за буквой, означает количество горелок стола. Так, в плите типа П4/1 горелок стола 4, а конфорок всего 2, ибо они чугунные литые и прикрывают сразу две горелки. В то же время плита ПБ-4 имеет при четырех горелках 4 конфорки. Здесь стол — сплошной чугунный с отверстиями, на которые и накладываются кольцеобразные чугунные конфорки. Некоторые из этих плит оснащаются приставными боковыми полочками на уровне стола, что требует большей площади для установки. При минимальном месте полочки снимают, и сразу длина, например, плиты ПБ-4 сократится с 940 мм до 560 мм. Табличку с краткими техническими данными плиты прикрепляют к ее корпусу сбоку или с тыльной стороны. На табличке указывают завод-изготовитель, год выпуска, номинальное рабочее давление, теплоту сгорания газа и т.д. Например: тип ПГ 4/1-1 ГОСТ 10798-64, П = 130 мм вод. ст. Q = 8000 ккал/м3, 1964 г., «Газоаппарат рабочее давление, теплоту сгорания газа и т. д.», Москва.
Таблица 1.10.7
| Тип | Тепловая мощность горелки, ккал/ч | Присоед. резьба, трубная цилиндр., дюймы | Габариты, мм | Вес, кг | Изготовитель | |||
| конфорки стола | духовки | высота | длина | ширина | ||||
| П4/1 | 1700 | 3720 | 1/2 | 850 | 730 | 620 | 62 | «Газоаппарат», Москва |
| П4/1м | 1700 | 3700 | 3/4 | 830 | 930 | 550 | 48 | «Газоаппарат», Петербург |
| П4/1 | 1700 | 3700 | 1/2 | 800 | 930 | 580 | 46 | «Газоаппарат», Львов |
| П2/1 | 1700 | 1800 | 1/2 | 830 | 550 | 315 | 30 | «Газоаппарат», Петербург |
| ПГ-2А | 1700 | — | 1/2 | 810 | 555 | 340 | 20 | «Газоаппарат», Москва |
| П2/1ВМ | 1700 | 2040 | 1/2 | 800 | 620 | 403 | 34 | Волгоград |
| ПБ-4 | 1700 | 3700 | 1/2, 3/4 | 810 | 940 | 560 | «Газоаппарат», Москва |
Большинство плит старых типов демонтировано по сроку службы и по мелким дефектам. Эти дефекты вполне устранимы даже собственными силами, но плиты отправили в металлолом. Плиты продолжают менять и сейчас. Как эти снятые плиты самостоятельно отремонтировать и использовать на садовых участках, в сельских усадьбах, рассмотрим ниже.
Решетки столов плит 80-х годов позволяют устойчиво ставить на горелки посуду с диаметром дна не менее 60 мм. При этом подсос воздуха в горелку будет всегда обеспечен




































