Преимущества установки проходного выключателя
Проходные выключатели позволяют управлять освещением помещения из двух или более мест, что является бесспорным удобством. Это особенно ценно для домов в несколько этажей с лестничными пролетами. Здесь можно установить первый переключатель на первом этаже, а следующий на втором, что позволит включить свет внизу и выключить наверху.

Особенно актуально применение проходных выключателей для управления освещением лестничных пролетов
Хорошим решением является установка одного переключателя у входа в спальню, а второго возле изголовья кровати, что позволит зайти, включить свет, приготовиться ко сну, лечь и выключить освещение. Также целесообразно монтировать выключатели при входе в дом или квартиру и в конце коридора.
Проходные выключатели обладают существенными преимуществами по сравнению с обычными устройствами:
- высокая надежность и безопасность эксплуатации;
- мгновенное отключение электроснабжения помещения при необходимости из любой точки;
- оптимальное расходование электроэнергии;
- низкая себестоимость;
- простая установка, не требующая привлечения специалистов;
- отсутствие сложных настроек.

Наличие проходных выключателей позволяет включить светильники внизу одним выключателем, а поднявшись по лестнице выключить другим
Сколько фаз
В частный дом может подаваться однофазное напряжение (220 В) или трехфазное (380 В). По нормам энергопотребления для частного дома на однофазную сеть максимальный расход на дом может составлять 10-15 кВт, на трехфазную — 15 кВт.
Трехфазный ввод нужен только тогда, когда требуется подключить мощное оборудование, работающее от сети 380 В
Так в чем разница? В том, что в трехфазную сеть можно напрямую включать мощные электроприборы — электроплиты или котлы отопления, духовки и тому подобное оборудование. Однако требования по вводу и разводка сети 380 В намного жестче: напряжение выше, больше шансов получить тяжелую травму. Потому, если дом у вас не больше 100 квадратов, и вы не думаете его отапливать электричеством, вам лучше проводить 220 В.
Подключение проходного выключателя со схемой управления из двух точек
Этот вид подключения является наиболее простым и не вызывает каких-либо трудностей.
От схемы обычного подключения выключателя его отличает всего два нюанса:
- конструкция этого выключателя. Он не имеет нейтрального положения «Выключено». Электрический ток направлен либо на одну клемму, либо на другую. Во время перенаправления электрического тока, происходит замыкание или, наоборот, размыкание одной из схем работы данной системы, отключение осветительных приборов происходит при разных положениях двух проходных выключателей;
- количество проводов, используемых при подсоединение проходных выключателей. В схеме подсоединения одинарного выключателя применяют два электропровода, представляющие собой разорванную цепь. А при подсоединение проходного выключателя к нему подводятся три электропровода. Два из них- перемычки между двумя маршевыми выключателями, а третий служит для одного провода подачей фазы, а для второго выходом фазы, которая идет на прибор освещения.
При подключение, многих вводит в заблуждение дополнительный элемент схемы – коммутационная коробка. При монтаже электропроводки, соблюдая все правила, от нее не получится избавиться. Для понимания принципа коммутации следует схему подключения проходного выключателя разделяют на две части (строго пополам каждый провод), а затем скрутить снова используя изоляционную ленту.
Схема подсоединения проходного выключателя из трех мест
Проходной выключатель схема подключения из трех мест несильно отличается от выше написанного способа подключения. Разница состоит в использование третьего устройства, которое имеет отличия в конструкции от стандартных маршевых выключателей. Данное устройство называется «перекрестным выключателем». Оно дает возможность использовать при управлении светом одновременно три схемы.
Оно служит транзитным устройством, которое не влияет на работу двух других маршевых выключателей, одновременно самостоятельно замыкая и размыкая цепь освещения независимо от двух других выключателей.
От проходного выключателя данный прибор отличается тем, что имеет пять, а не три клеммы подключения: две клеммы нужны для подсоединения к первому проходному выключателю, еще две клеммы для подсоединения ко второму маршевому устройству, пятая — транзитная.
Именно пятая (транзитная) клемма делает возможным управление освещением сразу из трех мест. Обычно пятую клемму монтируют перемычкой с третьей клеммой устройства.
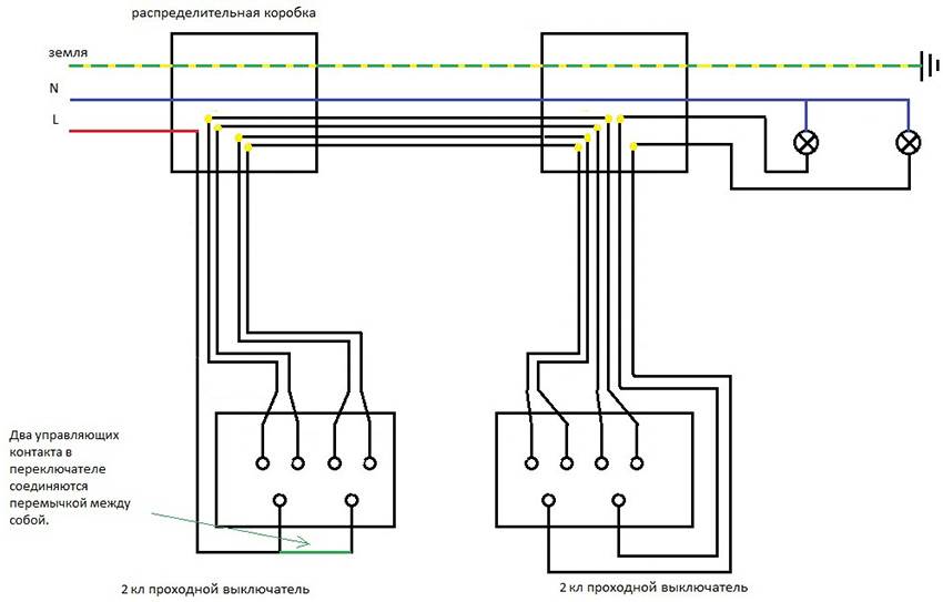
Две группы светильников. Двухклавишный проходной выключатель
Схема подключения такого типа проходного выключателя производится тем же способом, что и одноклавишного проходного светильника.
Только нужно иметь ввиду несколько нюансов:
- Это два одинарных проходных выключателя, которые установлены в один корпус;
- На две одинаковые части первого переключателя, электроэнергия подается одним проводом (две клеммы его частей соединены перемычкой). Второй выключатель, осуществляет само подключение осветительного прибора к системе, каждая из его выходящих фаз идет на свой прибор освещения;
- Количество электрических проводов. При монтаже одинарного проходного выключателя прокладывают три провода к каждому из устройств, а при монтаже двухклавишного протягивают пять жил к первому и шесть ко второму устройству. Это различие обусловлено наличием на первом выключателе одной общей входящей фазы, а на втором двух выходящих фаз на разные осветительные приборы.
Схема подключения — проходной выключатель
После прочтения предложенной статьи, вы с легкостью поймете принцип устройства, работу и сможете самостоятельно смонтировать проходной выключатель к осветительным приборам по схеме подключения. Для вас уже не составит особой трудности установка проходных выключателей с различным количеством клавиш. Вы сможете самостоятельно сделать свое пребывание в жилом помещение более комфортным и приятным. Сможете самостоятельно строить довольно сложные схемы проходных переключателей, которые позволят управлять освещением из различных мест помещения. Хотя, как правило, в повседневной жизни хватает и управления освещением с трех мест помещения.
Схема на 3 точки
Чтобы иметь возможность включать/выключать свет с трех мест, необходимо к двум выключателям купить перекрестный (крестовой) переключатель. От описанных ранее он отличается наличием двух входов и двух выходов. Он переключает сразу пару контактов. Как все должно быть организовано, смотрите на рисунке. Если разобрались с тем, что выше, понять эту просто.
Электрическая схема управления лампой с трех точек
Как собрать такую схему? Вот порядок действий:
- Ноль (и заземление, если есть) заводится сразу на лампу.
- Фаза подключается ко входу одного из проходных выключателей (с тремя входами).
- Вход второго подается на свободный провод лампы.
- Два выхода одного трехконтактного устройства заводятся на вход перекрестного переключателя (с четырьмя входами).
- Два выхода второго трехконтактного устройства заводятся на вторую пару контактов переключателя с четырьмя входами.
Та же схема, но уже в другом ракурсе — куда подключать провода на корпусах.
Куда подключать провода
А вот примерно так разводить по помещению.
Проводка при управлении лампой из трех мест
Если вам нужна схема на четыре, пять и боле точек, то отличается она только количеством перекрестных переключателей (на четыре входа/выхода). Выключателей (с тремя входами/выходами) всегда в любой схеме два — в самом начале и в самом конце цепи. Все остальные элементы — перекрестные устройства.
Схема подключения проходных выключателей на 5 точек
Уберете один «перекрестник», получите схему управления из четырех точек. Добавите еще — будет уже схема на 6 мест управления.
Чтобы окончательно уложить все в голове, посмотрите еще это видео.
Порядок монтажа схемы с двухклавишными проходными выключателями
Теперь вы знаете как правильно подключить, или как говорят электрики расключить, двухклавишный проходной выключатель.
Например схема подключения перекидного Legrand Valena: Естественно сам перекидной запихивать в распаечную коробку не нужно. Схема параллельного подключения ламп Устанавливайте светодиодные экономичные лампы, это существенно снизит затраты на электроэнергию, потребуются кабеля меньшего сечения, что сэкономит финансовые затраты.
Сделав подключение, можно сэкономить значительные средства и обеспечить комфортное использование освещения в доме.
К сожалению, далеко не все производители указывают маркировку контактов на корпусе устройства. Инструкция по монтажу: Схема управления с двух мест Правильно собранная схема подключения двойного выключателя позволяет управлять двумя разными группами освещения из двух мест независимо друг от друга.
Что особенного в коммутаторе с двумя клавишами
При ее отсутствии придется воспользоваться мультиметром для выяснения размещения клемм изделия. В схеме с трех мест устройство находится в любой точке между двумя остальными. Из двойного проходного выключателя можно сделать одинарный перекрестный выключатель.
Монтаж проходных выключателей при существующей проводке Вполне вероятно, что Вам захочется обустроить своими руками независимое управление светильниками при уже существующей электропроводке. Разберемся, в чем же состоит сложность этой ситуации: анализ приведенных выше схем поможет нам сделать несколько выводов: 1. Затем присоединяются четыре промежуточных проводника. Фазный конец подключается к первому контакту, между первым и вторым контактами устанавливается перемычка.
Разновидности перекрестных и проходных переключателей
Инструкции Cхема подключения двухклавишного проходного выключателя переключателя Двухклавишный проходной выключатель представляет собой объединенные в одном корпусе два одиночных проходных переключателя. Пример установки проходных выключателей в спальне Перед Вами вопиющий пример непредусмотрительности: в спальне нет проходных выключателей! Эта тема требует отдельного рассмотрения как пользоваться мультиметром или другими приборами для прозвонки цепи. Для данной схемы подключения необходимо качественно и правильно выполнить 12 соединений проводов. По принципу работы такое устройство эквивалентно двум проходным двухклавишникам в одном корпусе, на схеме ниже это наглядно видно.
Глядя на обе схемы, сразу заметно, как подключен фазный провод. Два выключателя следует закрепить в подрозетниках, после — к проводке, ведущей к осветительным приборам, подсоединить трехжильный кабель. Выражаясь академическим языком, проходной выключатель — это устройство, которое обеспечивает независимое управление освещением из разных местоположений. Подключение двухклавишного проходного выключателя
Коммутация источников света по принципу «подошёл, включил – прошёл, выключил» – это один из вариантов эффективного пользования электрической энергией. Функциональность подобной системы управления обеспечивается теми же традиционными приборами – выключателями, но конструктивно несколько модернизированными.
Коммутационная модернизация позволяет выполнить подключение проходного выключателя с двух и с трех мест, чтобы управлять источником света из каждой отдельно взятой точки. Согласитесь, такое решение особенно удобно для длинных помещений, например, коридора.
Предлагаем разобраться в принципах подключения проходного выключателя на две и три точки управления. В статье приведены рабочие схемы организации световых групп, а также описаны особенности реализации коммутационных проектов.
Подробности вопроса
Подключение переключателя
При помощи щупов на тестере следует попеременно касаться всех контактов и искать тот, на котором тестер начнет «пищать» или покажет «0» при любых положениях клавиши ВКЛ и ВЫКЛ. все куда проще сделать при помощи индикаторной отвертки. После того, как будет найдена общая клемма, на нее следует подключить фазу с кабеля питания. На остальные клеммы стоит присоединить два остальные провода. Причем какой из них куда пойдет не имеет значения. Выключатель следует собрать и закрепить в подрозетнике. Это один из этапов подключения проходного выключателя. Со вторым следует проделать все то же самое – найти общую клемму, подключить на нее проводник фазного типа, который будет идти на осветительный прибор и на оставшиеся подсоединить другие жилы.
Схема подключения выключателя проходного типа в распределительной коробке
Теперь самое главное, это правильно выполнить сборку схемы в распределительной коробке. В нее должны входить четыре трехжильных кабеля:
- Питание с автомата освещения распределительного щита.
- Кабель на первый переключатель и на второй.
- Кабель на люстру или другой осветительный прибор.
При подключении проводов удобнее ориентироваться по цветной маркировке. Если будет трехжильный кабель ВВГ, то у нее самыми распространенными цветами является белый/серый (это фаза), синий («ноль») и желто-зеленый (это земля). Есть и другой вариант – фаза белая/серая, «ноль» коричневый, а земля черная. Начинается сборка с нулевых проводников. Требуется соединить нулевую жилу с кабеля вводного автомата и ноль, который отходит на светильник в одну точку при помощи клемм ваго. Далее требуется соединить все заземляющие жилы, если у вас есть проводник для заземления. Аналогично, как и с нулевыми проводами, «землю» следует объединить с вводного кабеля с «землей» кабеля, который отходит на освещение. Этот провод нужно подключить к корпусу светильника.
Остается правильно и без ошибок выполнить подключение фазных проводников. Фазу с вводного кабеля следует присоединить к фазе уходящего провода на общую клемму первого переключателя. Общий же провод со второго переключателя следует при помощи отдельного зажима ваго соединить с фазной жилой провода на освещение. Когда все будет выполнено, останется лишь соединить между собой отходящие жилы с двух выключателей между собой, и при этом не играет роли, как именно вы будете их соединять. Допускается даже перепутать цвета, но все-таки лучше, если вы будете придерживаться расцветки, чтобы в будущем не запутаться. На этом можно считать, что схема полностью собрана, подать напряжение и проверить освещение.
Теперь стоит поговорить об управлении освещением при помощи новых выключателей.
Перекидные выключатели – управление с трех/четырех мест
Что же делать в том случае, когда вы хотите управлять одним освещением из трех или четырех точек? Тогда с цепи будет еще третий и четвертый переключатель. Казалось, требуется купить лишь еще один проходной элемент, но все не так просто. Здесь не подойдет выключатель с тремя клеммами, потому что соединяемых проводов в распределительной коробке будет четыре. Здесь очень кстати будет применение перекидного, или как его еще называют, крестового/промежуточного/перекрестного выключателя. Его ключевое отличие состоит в том, что у него четыре выхода – два снизу и столько же сверху. Его устанавливают как раз в промежутке между двумя проходными. Начать стоит с распаечной коробки, в ней следует найти два второстепенных провода от второго и первого переключателя. Нужно рассоединить их и подключить между ними перекидной шнур. Те провода, что расположены с первого, подключите на вход, а те, что идут на второй – к клеммам выхода. Схему подключения проходного выключателя следует всегда проверять, потому что часто бывает так, что выход и вход у них расположен на одной стороне.
Формат работы перекрёстного коммутационного аппарата
Перекрёстный выключатель способен функционировать только в связке с двумя проходными. Этот коммутационный аппарат выполняет задачу переключателя линий, то есть попеременно отключает одну цепь и включает другую.

Одну лампу можно включать и выключать из трёх мест
Особенности монтажа нестандартных выключателей
Установка перекрёстных коммутационных аппаратов осуществляется по правилам:
- подключение выполняют с помощью проводов с четырьмя или (в исключительных ситуациях) с двумя жилами, которые хорошо оплетены изоляционным материалом;
- переключатель с одной или несколькими клавишами монтируют лишь при необходимости иметь аппарат, способный гасить свет и в конце, и в начале длинной комнаты;
- к монтажу перекрёстного выключателя приступают в тот момент, когда по дому прокладывают провода, которых должно быть много, ведь система требует подсоединения нескольких контактов.
Последний пункт считается недостатком перекрёстного выключателя: большое количество проводов может стать причиной пожара. Но такой коммутационный аппарат отличается неоспоримым достоинством — долгим сроком службы, что обусловлено высокой износостойкостью. Поскольку контакты перекрёстных выключателей замыкаются с большой частотой, чего нельзя сказать о соединениях обычных или проходных аппаратов, их перемычки создают из материала, который отлично противостоит коррозии. Обычно в качестве этого сырья берут легированную сталь или медь. Перемычки перекрёстных выключателей обязательно покрывают защитной оболочкой, не позволяющей оседать конденсату и пыли.
Вариант управления освещения с трех точек
Если имеется необходимость в дальнем управлении светильником из трех мест, то придется приобрести еще и перекрестный выключатель. Он переключает одновременно не по одному, а по два контакта, поэтому он имеет по два входа и два выхода.
Как все три выключателя соединить видно на рисунке. Это несколько сложнее предыдущего случая, но понять принцип работы можно.
Схема электрическая включения лампы из трех мест.
Чтобы подключить источник электрического света, согласно данной схемы, необходимо проделать следующие операции:
- Нулевой провод подключается к одному из проводов лампы.
- Фазный провод подключается к входному контакту одного из проходных выключателей.
- Свободный провод лампы подключается к входному контакту второго выключателя (проходного).
- Два выходных контакта проходного выключателя подключается к двум входным контактам перекрестного выключателя.
- Два выходных контакта второго проходного переключателя подсоединяют к двум выходным контактам перекрестного переключателя.
Схема та же, но показано более доходчиво, куда именно подключать провода.
К каким клеммам подключаются провода.
Примерно так следует развести провода по помещению.
На основе схемы на три точки управления, можно собрать схемы на 4 или на 5 точек. В таких случаях необходимо увеличивать количество перекрестных выключателей. Их следует всегда устанавливать в промежутке между двумя проходными переключателями.
Схема организации вкл/выкл лампы на 5 точек.
Если из этой схемы убрать один из перекрестных переключателей, то получится вариант на 4 точки, а если к ней добавить один перекрестный переключатель, то уже выйдет вариант на 6 точек.
Проходные выключатели из 5-ти мест без распаячных коробок. Suneler.ru
Watch this video on YouTube
Схемы подключения проходных выключателей
Способ расключения маршевых выключателей определяется конкретными условиями применения. В нескольких случаях мы рассмотрим 2 варианта изображения подключения. Первый из них более прост для понимания, и его достаточно при установке приборов в случае уже существующей электропроводки. Другой вариант учитывает требование прокладки кабеля с применением распределительных коробок, что реально исполнить в новостройке или при замене проводки.
Стандартный вариант установки в 2-х точках
Вариант управления одним или несколькими параллельно соединенными лампами из двух местоположений наиболее востребован и прост. Существует четыре возможные комбинации положения клавиш двух выключателей: в двух из них светильник включен, в двух других – выключен.
В примере с фото приборов сзади цепь разомкнута, и лампа не горит. На нижней части иллюстрации цепь замкнута, и свет включен. Можно сказать, что в данной схеме подключения один обычный выключатель заменен двумя одноклавишными проходными, соединенными между собой двухжильным кабелем.
Данная иллюстрация демонстрирует подключение с применением распределительной коробки. Как видите, каждый из приборов соединен с коробкой трехжильным кабелем.
Схемы управления одним светильником из нескольких точек
Управление из нескольких точек необходимо при движении по длинному переходу. Например, в трехэтажном доме на каждом этаже можно управлять освещением на лестнице там, где нужно.
Чтобы реализовать схему независимого управления освещением из трех местоположений, необходим перекрестный выключатель. Как и в предыдущем варианте, они могут быть соединены между собой двухжильным кабелем.
Теперь познакомимся со схемой электромонтажа, выполненной по всем правилам, с применением распредкоробки. Как видите, для подсоединения к распределительной коробке двух проходных переключателей необходим трехжильный кабель, а для перекрестного — придется использовать два двухжильных.
По этому же принципу можно построить схему управления освещением из 4-х и более местоположений. Первый и последней прибор в цепи – проходные выключатели. Промежуточные приборы — перекрестного типа.
Управление несколькими светильниками из нескольких мест
Бывают ситуации, когда необходимо управлять несколькими светильниками из нескольких местоположений. Например, в спальне возможна установка одного двухклавишного проходного переключателя у двери, а другого — у кровати. Тогда в обоих местах можно будет включать и выключать как общее освещение в комнате, так и светильники у кровати.
Для реализации такой схемы потребуется два двухклавишных проходных выключателя. Для их соединения в простейшем случае необходимо два двухжильных кабеля.
Монтажная схема правильного подключения двухклавишного проходного выключателя с применением распредкоробки выглядит более внушительно. Коробка потребуется большого размера, так как в ней должно уместиться восемь соединений проводов. Для подключения первого проходного выключателя потребуется двухжильный и трехжильный кабель, а для подсоединения второго – два трехжильных.
Теоретически, увеличивая количество проходных 2-х клавишных выключателей, можно осуществлять независимое управление освещением 2-х светильников из любого количества мест. Возможно, Вы захотите оперировать из двух местоположений тремя группами лампочек в люстре. Схема с применением тройного выключателя демонстрирует реальную возможность такой работы, однако кабеля при этом потребуется немало.
Данная схема подключения проходного выключателя из 3-х мест демонстрирует возможность управления двумя отдельными лампочками. Два двухклавишных проходных выключателя могут стоять у кровати, третий – у двери спальни. Везде можно включить и выключить местное освещение, либо общий светильник.
Как мы уже заметили, схему управления освещением можно наращивать бесконечно. Возможность включать и выключать 2 различных светильника из четырех точек может пригодиться в длинном коридоре дома с большим количеством комнат. Очевидно, после рассмотрения различных примеров не составит труда составить самому любую схему независимого управления освещением с применением одноклавишных и других проходных выключателей.
Как выглядит проходной выключатель с 2 и более мест?
Это минимальное количество устройств, которое можно подключить к системе, чтобы пользователь мог включать или выключать один светильник. На практике такие приспособления используются для того, чтобы включить освещение в одной точке, пройти с комфортом определенный участок и выключить свет в другой точке, не возвращаясь назад.
Пример устройства разводки для жилого помещения из категории стандартных проектов.
Однако проекты на управляющих точек применяются достаточно активно. При последующем переключении любого из выключателей, в произвольном порядке, светильник будет то выключаться, то включаться. Как уже было сказано выше, при отсутствии схемы контакты лучше вызвонить при разных положениях клавиши.
Именно поэтому возникает вопрос, как сделать возможным включение лампочки сразу с двух и более мест? Поделиться с друзьями: Вам также может быть интересно. Рассмотрим принцип действия данных устройств согласно следующему фото: В данной схеме смонтировано: источник питания В фаза и ноль ; распределительная коробка, в которой выполняется коммутация; 2 группы цепей освещения для примера это может быть люстра и светодиодная подсветка в зале или комнате. Схема управления двумя отдельными светильниками из четырех точек Как мы уже заметили, схему управления освещением можно наращивать бесконечно.
Конечно, дополнительный провод можно проложить в кабель-канале или воспользоваться полостью в пластиковом плинтусе. Что касается дешевых китайских выключателей, то в основном, подобной схемы нет, поэтому приходится концы вызванивать прибором. Автоматическое выключение света при выходе из определенной зоны можно организовать с помощью таймеров, или датчиков, фиксирующих перемещение.
Подключение проходного выключателя
Отличия — в количестве контактов Работает выключатель следующим образом: при переключении клавишей вход подключается к одному из выходов. Соединены все нейтральные и все защитные провода с двумя отдельными разъемами. Многоэлементные схемы, конечно, малоприменимы для жилого частного сектора, так как проекты подобного рода редко имеют длинные коридоры или комнаты значительной площади на несколько дверей. Обзор производителей проходных выключателей: популярные модели Прежде чем купить проходной выключатель, стоит познакомиться с ведущими производителями, которые выпускают наиболее качественные изделия. Рассмотрим далее, какова должна быть схема подключения проходного выключателя с 2-х мест, поскольку это считается наиболее распространенным вариантом выполнения систем освещения в домах, квартирах или офисах.
В таких ситуациях возникает необходимость управления освещением с двух мест, именно для решения таких задач и предназначены так называемые проходные выключатели. Решение исполнено с учётом разводки кабеля с проводником заземления PE. В данном случае речь идет о включении в цепь перекрестного переключателя, выступающего в роли дополнительного звена. В таком случае можно будет воспользоваться схемой подключения проходных выключателей на 4 точки. После нажатия на первую кнопку, лампочка погаснет.
В распределительной коробке соединяем соответствующие провода обоих выключателей. При таком решении уже реально проходить длинный коридор до половины пути, выключать освещение на пройденной половине и включать свет на участке оставшейся половины. Обзор производителей проходных выключателей: популярные модели Прежде чем купить проходной выключатель, стоит познакомиться с ведущими производителями, которые выпускают наиболее качественные изделия. Промежуточного положения в данном случае не предусматривается. Параллельный переключатель в отличие от проходного содержит целых 5 контактов, которые и обеспечивают более сложную схему управления освещением, имеющую гораздо большее количество вариантов.
Как подключить проходной выключатель
https://youtube.com/watch?v=3yLQJbjN8Eo




































